Product Summary
The DSP1-12V is a miniature power relay in DS relay series.
Parametrics
DSP1-12V absolute maximum ratings: (1)Temperature rise Max. 40℃ to 55 ℃; (2)Soldering temperature 250 ℃ (10 s), 300 ℃ (5 s); (3)Max. operating speed: 30 cps. at rated load; (4)Initial insulation resistance: Min. 1,000 MΩ at 500 V DC.
Features
DSP1-12V features: (1)Power types added to DS relay series; (2)High switching capacity: 1a: 8 A 250 V AC / 1a1b, 2a: 5 A 250 V AC; (3)High sensitivity: 190 mW pick-up power; (4)High contact welding resistance; (5)Latching types available; (6)High breakdown voltage 3,000 Vrms between contacts and coil; (7)1,000 Vrms between open contacts Meeting FCC Part 68; (8)Sealed types are standard.
Diagrams

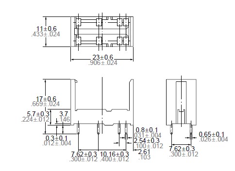
![]() |
![]() DSP100-12 |
![]() TDK-Lambda |
![]() DIN Rail Power Supplies 72W 12V 6A DIN Rail 115-230VAC |
![]() Data Sheet |
![]()
|
|
||||||||
![]() |
![]() DSP100-15 |
![]() TDK-Lambda |
![]() DIN Rail Power Supplies 75W 15V 5A DIN Rail 115-230VAC |
![]() Data Sheet |
![]()
|
|
||||||||
![]() |
![]() DSP100-24/C2 |
![]() TDK-Lambda |
![]() DIN Rail Power Supplies 91W 24V 3.8A DIN Rail 115-230VAC |
![]() Data Sheet |
![]()
|
|
||||||||
![]() |
![]() DSP10-12 |
![]() TDK-Lambda |
![]() DIN Rail Power Supplies 10W 12V 0.83A DIN Rail 115-230VAC |
![]() Data Sheet |
![]()
|
|
||||||||
![]() |
![]() DSP101KP |
![]() Texas Instruments |
![]() IC SAMPLING A/D CONVERTER 28 DIP |
![]() Data Sheet |
![]() Negotiable |
|
||||||||
![]() |
![]() DSP102 |
![]() Other |
![]() |
![]() Data Sheet |
![]() Negotiable |
|
||||||||
(China (Mainland))









