Product Summary
The B3F-1050 is a mechanical key switch from Omron. There are many kinds of models such as 6 x 6 mm, 12 x 12 mm, Vertical and High-force. It is featured with excellent tactile feel combined with high life expectancy and pushbuttons available in nine colors. The B3F-1050 is available in stick packaging for automatic mounting to PCBs.
Parametrics
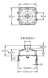
B3F-1050 absolute maximum ratings: (1)Operating Force:130 g; (2)Actuator: Rectangular; (3)Current Rating (Max): 50mAmps; (4)Voltage Rating DC: 24 Volts; (5)Ground Terminal: Yes ; (6)Contact Form: 1 Form A (SPST-NO); (7)Termination Style: Solder Pin; (8)Mounting Direction: Straight; (9)Illumination: Not Illuminated; (10)Body Size: 12 mm L x 12 mm W x 3.5 mm H; (11)Packaging: Bulk; (12)Contact Rating: 1mAmp to 50mAmps at 5 Volts to 24 Volts; (13)Features: Miniature space saving switch, positive click action plus long life equal to no-contact switch; (14)Mounting Style: Through Hole; (15)Operating Temperature Range: - 25 ℃ to + 70 ℃; (16)Series: B3; (17) Standard Pack Qty: 100.
Features
B3F-1050 features:(1)A Wide Range of Models: 6 x 6 mm, 12 x 12 mm, Vertical and High-force; (2)Excellent tactile feel combined with high life expectancy; (3)Available in stick packaging for automatic mounting to PCBs; (4)Up to 2.55 N (260-gf) operating force for a firmer operating touch; (5)Pushbuttons available in nine colors.
Diagrams

| Image | Part No | Mfg | Description | ![]() |
Pricing (USD) |
Quantity | ||||||||||||||||||
|---|---|---|---|---|---|---|---|---|---|---|---|---|---|---|---|---|---|---|---|---|---|---|---|---|
![]() |
![]() B3F-1050 |
![]() Omron Electronics |
![]() Tactile & Jog Switches 6X6 Proj 7.3mm Btn Force 100g w/o Grd |
![]() Data Sheet |
![]()
|
|
||||||||||||||||||
| Image | Part No | Mfg | Description | ![]() |
Pricing (USD) |
Quantity | ||||||||||||||||||
![]() |
![]() B3F-0802 |
![]() |
![]() SWITCH TACTILE SPST-NO 0.05A 24V |
![]() Data Sheet |
![]() Negotiable |
|
||||||||||||||||||
![]() |
![]() B3F-1000 |
![]() Omron Electronics |
![]() Tactile & Jog Switches 6X6 Flat 4.3mm Btn Force 100g w/o Grd |
![]() Data Sheet |
![]()
|
|
||||||||||||||||||
![]() |
![]() B3F-1000S |
![]() Omron Electronics |
![]() Tactile & Jog Switches 6x6 Flat 4.3mm Btn Force 100g w/o Grd |
![]() Data Sheet |
![]()
|
|
||||||||||||||||||
![]() |
![]() B3F-1002 |
![]() Omron Electronics |
![]() Tactile & Jog Switches 6X6 Flat 4.3mm Btn Force 150g w/Grd |
![]() Data Sheet |
![]()
|
|
||||||||||||||||||
![]() |
![]() B3F-1002-G |
![]() Omron Electronics |
![]() Tactile & Jog Switches Flat w/out Grd Term 4.3 x 6.5mm 176g |
![]() Data Sheet |
![]()
|
|
||||||||||||||||||
![]() |
![]() B3F-1002S |
![]() |
![]() SWITCH TACTILE SPST-NO 0.05A 24V |
![]() Data Sheet |
![]()
|
|
||||||||||||||||||
(China (Mainland))












