Product Summary
The G6K-2F-3V is a Surface Mounting Relay. The applications of the G6K-2F-3V include Telecommunication equipment, Office automation machines, and Audio-visual products.
Parametrics
G6K-2F-3V absolute maximum ratings: (1) Contact type: Bifurcated crossbar; (2) Contact material: Ag (Au-Alloy contact); (3) Rated load: 0.3A at 125 VAC, 1A at 30 VDC; (4) Rated carry current: 1A; (5) Max. Switching voltage: 125 VAC, 60 VDC; (6) Max. switching current: 1A; (7)Contact resistance: 100mΩ max.; (8) Operating (set) time: 3ms max.; (9) Failure rate (P level): 10μA at 10mVDC; (10) Ambient operating temperature: -40℃ to 70℃ (with no icing or condensation); (11) Ambient operating humidity: 5% to 85%; (12) Weight: Approx. 0.7g.
Features
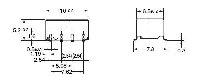
G6K-2F-3V features: (1)Subminiature model as small as 5.2 (H)×6.5 (W)×10 (L) mm is ideal for high-density mounting; (2)Low profile of 5.2 mm improves mounting efficiency; (3)Light weight of 0.7 g contributes to higher speed mounting; (4)Consumes approximately 70% the power of a conventional OMRON model and operates at a current that is as low as 100mW; (5)Surface mounting terminal models incorporate a unique terminal structure with high infrared irradiation efficiency which allows the terminal temperature to rise easily when mounting the IRS, thus ensuring excellent soldering; (6)Ensures a dielectric strength of 1,500 VAC and conforms to FCC Part 68 (i.e., withstanding an impulse withstand voltage of 1,500 V for 10×160μs); (7)New-Y models offer an impulse withstand voltage of 2,500V for 2×10μs (conforms to Telcordia specifications) by optimizing the distance between coil and contacts; (8)Standard model conforms to UL/CSA standards.
Diagrams

![]() |
![]() G6K-2F |
![]() Other |
![]() |
![]() Data Sheet |
![]() Negotiable |
|
||||||||||||||||||
![]() |
![]() G6K-2F DC12 |
![]() |
![]() RELAY TELECOM DPDT 1A 12V |
![]() Data Sheet |
![]()
|
|
||||||||||||||||||
![]() |
![]() G6K-2F DC24 |
![]() |
![]() RELAY TELECOM DPDT 1A 24V |
![]() Data Sheet |
![]()
|
|
||||||||||||||||||
![]() |
![]() G6K-2F DC3 |
![]() Omron Electronics |
![]() Low Signal Relays - PCB Gullwing NoLtch 2.54 DPDT 3VDC 100mW |
![]() Data Sheet |
![]()
|
|
||||||||||||||||||
![]() |
![]() G6K-2F DC4.5 |
![]() |
![]() RELAY TELECOM DPDT 1A 4.5V |
![]() Data Sheet |
![]()
|
|
||||||||||||||||||
![]() |
![]() G6K-2F DC5 |
![]() |
![]() RELAY TELECOM DPDT 1A 5V |
![]() Data Sheet |
![]()
|
|
||||||||||||||||||
(China (Mainland))










